Повысительные насосы для горячего водоснабжения. Принцип работы повысительного электронасоса
- Повысительные насосы для горячего водоснабжения. Принцип работы повысительного электронасоса
- Повысительные насосы это. Назначение и виды насосов повышающие давления воды
- Повысительный насос для дачи. Насос для повышения давления воды, какой фирмы лучше выбрать
- Насос для повышения давления воды grundfos.
- Повысительный насос для водопровода. Виды повышающих водяное давление насосов
- Повысительный насос принцип работы. Принцип работы, схема и устройство
Повысительные насосы для горячего водоснабжения. Принцип работы повысительного электронасоса
Многие подкачивающие насосы для водопровода работают по центробежному принципу с перемещением жидкости рабочим колесом с лопастями, установленном на валу электродвигателя. Вода подается через патрубок, расположенный на центральной оси вала и выталкивается лопатками колеса через боковое выходное отверстие.
Электронасосы, повышающие давление воды в водопроводе, обычно функционируют в автоматическом режиме включения и выключения, которым управляет встроенное герконовое реле потока. В нерабочем состоянии при отсутствии тока воды в трубопроводе агрегат отключен, как только открывают кран, вода начинает двигаться по трубам, реле срабатывает и повысительный насос включается.
Многие пользователи и авторы интернет-статей путают повысительный насос для водопровода с циркуляционным , устанавливаемым в системы отопления частных домов. Хотя они конструктивно выглядят практически одинаково и имеют схожий принцип действия, циркуляционные виды рассчитаны на непрерывную подачу жидкости на высоту с постоянным поддержанием давления теплоносителя в системе и отключаются в двух случаях: при срабатывании термореле , указывающего на превышение температуры теплоносителя, и при включении реле давления (используется редко), сигнализирующем о слишком сильном напоре рабочего тела в трубах.
Рис. 2 Мокророторный насос повышающий давление в водопроводе в разрезе
Малогабаритные центробежные повысительные электронасосы изготавливаются по двум технологиям: с мокрым и сухим ротором. В сухороторных приборах вал электрического двигателя с рабочим колесом отделен от его ротора и статорной обмотки высокогерметичным торционным уплотнением. Данная модификация отличается высоким КПД порядка 70%, обычно для охлаждения двигателя на торце корпуса помещают крыльчатку. Сухороторные модификации по сравнению с мокророторными типами имеют большие габаритные размеры, обладают более высокими показателями мощности и производительности, не критичны к чистоте и отсутствию воды из-за воздушного охлаждения электродвигателя. Но их главный недостаток — высокий уровень шума, существенно ограничивает область применения в частных водопроводах.
В модификациях с мокрым ротором последний отделен от магнитопровода электродвигателя тонкостенным стаканом, в котором он вращается, удерживаясь на торцевых подшипниках. Стакан и подшипники заполнены водой — это обеспечивает бесшумную работу и эффективное водяное охлаждение. Благодаря такой конструкции, мокророторные агрегаты обладают низким КПД около 40%, не могут работать при отсутствии водяного охлаждения (им обязательно требуется защита обмотки от холостого хода), имеют небольшие габаритные размеры. Для их работы нужна чистая среда, а основное преимущество — бесшумность хода, часто является определяющим при использовании их в индивидуальном водоснабжении.
Рис. 3 Устройство сухороторного агрегата
Регулятор давления воды в системе водоснабжения — виды и конструкции, монтаж . В отдельной статье подробно рассказываем про специальные регуляторы давления, которые устанавливаются в системе водоснабжения нормализуя, при этом, давление воды. Почитайте, возможно, будет интересно.
Повысительные насосы это. Назначение и виды насосов повышающие давления воды
Все существующие модификации насосного оборудования предназначены для создания требуемого напора в магистральных трубопроводах и отопительном контуре. Добиться оптимальных параметров в магистрали можно двумя способами:
- Установкой в систему циркуляционного насоса ;
- Использованием самовсасывающего агрегата высокой мощности.
Какой вариант будет наиболее приемлемым, зависит от причин пониженного давления.
Циркуляционный насос
Использование таких устройств целесообразно при пониженном давлении в магистрали. Установка одного или нескольких циркуляционных агрегатов обеспечит необходимое рабочие характеристики в отдельно взятой квартире. Количество и место расположения насосов в магистрали определяется в зависимости от расположения точек раздачи и начального давления воды в системе.

Как правило, циркуляционные насосы отличаются компактными габаритными размерами и относительно невысокой мощностью, что существенно упрощает монтаж этого оборудования. Существующие модели классифицируют по следующим параметрам:
По способу охлаждения:
- С охлаждением рабочей средой, такие установки условно называют «мокрыми». Охлаждение в таких системах осуществляется за счет постоянного непосредственного контакта теплоносителя с трущимися поверхностями. «Мокрые» насосы не отличаются высоким КПД, однако их производительности достаточно для повышения рабочего давления на 1 – 3 атм. Невысокий уровень шума позволяет использовать такие устройства в квартирах и частных домах.
- С отдельной системой охлаждения, иногда называемые «сухими». Производительность и КПД таких насосов выше, однако их применение сопряжено с большей шумностью, кроме того, такие устройства имеют большие габаритные размеры.
По типу включения:
- С ручным запуском. Такие устройства включают и выключают по мере необходимости, в зависимости от напора воды в магистрали;
- С автоматическим запуском. Включение и выключение агрегата осуществляется по сигналу, поступающему от датчика потока, контролирующего расход жидкости. При отсутствии расхода насос автоматически прекращает работу, а при открытии водозабора – включается вновь.
- Универсальные устройства. Такие повысительные насосы для воды оборудованы специальным переключателем, обеспечивающим возможность работы как в ручном, так и в автоматическом режиме.
По способу регулировки угловой скорости крыльчатки:
- Без регулировки. Такие приборы способны работать только в одном режиме, независимо от параметров подачи;
- Со ступенчато регулировкой. Такие модели имеют от 2 до 4 скоростных режимов. Необходимая частота вращения турбины выбирается исходя из напора во входном патрубке;
- С бесступенчатой регулировкой. Угловая скорость рабочего колеса может изменяться плавно, что обеспечивает оптимальную производительность устройства.
По расположению приводного вала
- С горизонтальным расположением;
- С вертикальным расположением;
- Универсальные. При монтаже таких моделей допускается как горизонтальное, так и вертикальное расположение приводного вала.
Использование циркуляционного насоса является наиболее простым способом повышения напора воды в водопроводной магистрали.
Всасывающие насосные установки
В отличие от обычного циркуляционного устройства, всасывающая насосная установка позволяет обеспечить необходимый напор жидкости не только на отдельном отрезке трубопровода, а во всем контуре. Такие повышающие насосы способны поднимать давление воды на высоту до 12 м, а их минимальная производительность составляет 2 м3/ч. Кроме этого, система укомплектована гидроаккумулятором, обеспечивающим стабильность работы насосной станции.

Различают 2 типа самовсасывающих установок:
- Центробежные. Работа таких насосов основана на принципе создания избыточного давления у наружных стенок рабочей камеры за счет вращения рабочего колеса. Одновременно с этим, в центральной части образуется зона пониженного давления, за счет чего и происходит всасывание рабочей среды.
- Вихревые. Принцип работы этих устройств основан на создании сдвоенного вихревого потока. Рабочее колесо с плоскими перегородками при вращении отбрасывает жидкость к стенкам корпуса, увеличивая ее кинетическую энергию и рабочее давление. Вихревые насосные установки не боятся попадания воздуха в рабочую зону и обеспечивают больший напор, чем центробежные аналоги. К недостаткам можно отнести низкий КПД (40 – 50 %), и чувствительность агрегата к наличию различных загрязнителей в рабочей среде.
Применение вихревых и центробежных самовсасывающих насосных модулей целесообразно для увеличения рабочего давления в многоэтажных постройках и частных коттеджах, имеющих 2 и более этажей.
Повысительный насос для дачи. Насос для повышения давления воды, какой фирмы лучше выбрать
Производством и разработкой бытовых насосов для повышения давления воды занимаются как небольшие локальные компании, так и мировые производители машинного оборудования. Хорошая репутация фирмы говорит о хорошем техническом обслуживании, качестве деталей, долгой гарантии. В рейтинг включена продукция следующих компаний:
- Jemix – крупнейшая тайваньская корпорация, свое начало берет в 1958 году, именно тогда компания начала изучать и производить первые электрические насосы для дома. Сейчас основное направление разработки производителя – оптимизация своего оборудования для различных целей.
- Grundfos – датская фирма, деятельность которой направлена на создание насосного оборудования. Хорошо себя зарекомендовала на рынках Европы, а также Азии.
- Aquario – в разработке имеет широкую линейку приборов для обеспечения центрального и локального водоснабжения. Среди продукции фирмы имеются запчасти, насосы для колодцев, фонтанов. Представители Aquario подбирают нужное оборудование в индивидуальном порядке, помогают с решением технических проблем подключения.
- Wilo – компания специализируется на разработке промышленной и бытовой техники для обеспечения водоснабжения. Головной офис фирмы и часть производства находятся в Германии, большие закупки запчастей делаются в Китае.
- Джилекс – российская торговая марка, которой принадлежит часть производства бытового и промышленного оборудования в Китае, Индии и Корее. Фирма специализируется на сборке наносов и поставке запчастей в Россию.
- Dab – производит и разрабатывает надежное насосное оборудование, приборы для обеспечения отопления, кондиционирования воздуха, осушения, отвод сточных и канализационных вод.
- Termica – южнокорейская фирма с официальным представителем в России, пользуется большой популярностью на мировом рынке. Разрабатывает и производит различную технику для бассейнов, отопления, промышленного и частного водоснабжения.
Насос для повышения давления воды grundfos.
Повысительные насосы Grundfos рекомендованы для создания дополнительного давления в системе снабжения водой. При помощи изделий можно повысить напор в местах водозабора, создать напор перед нагревателями воды, газовыми колонками, бытовой техникой. Устройство обладает компактными размерами, имеет небольшой вес, монтируется непосредственно на трубопроводе.
Устройство повысительных насосов Grundfos
Насосы производятся из материалов высокого качества, которые продлевают срок службы изделий. Как правило, это: нержавеющая сталь, латунь, алюминий, бронза. Во внутренней корпусной части располагается ротор, который сделан из керамики или стали, к нему крепится вал с технополимерной крыльчаткой. Во время запуска двигателя агрегата, лопасти начинают крутиться, жидкость быстро циркулирует по системе, за счет этого происходит нагнетание теплоносителя.
Повысительные насосы Grundfos оснащены 3 рабочими режимами, каждый меняет скорость перекачивания жидкости, в зависимости от вида подразделяют насосы с мокрым или сухим ротором.
Насосы Grundfos UPA имеют конструкции мокрого ротора. Ротор располагается в воде и отгорожен от статора гильзой, выполненной из нержавеющей стали. Во время перекачивания воды электрический двигатель охлаждается температурой поступающей жидкости, поэтому устройство работает бесшумно. Используются для холодной и горячей воды. Может одновременно повышать давление до 4 точек забора.
Изделия устанавливают для отопления собственных домов, монтируются в маленьких помещениях, так как не занимают свободного пространства. Агрегатам не потребуется дополнительное техническое обслуживание, они способны делать свою работу на протяжении 10 лет. Регулировка устройств с мокрым ротором бывает автоматического и ручного типа. Автоматическое регулирование способно подлаживаться под особенности теплосети. Насосы с авторегулировкой самостоятельно выводят воздух.
Насосы серии- центробежные агрегаты, не имеющие функции самовсасывания, но обладают большой производительностью. С помощью устройств можно обеспечить водоснабжением не только загородные дома, но гостиницы и пансионаты. Достаточно доукомплектовать его реле давления и необходимым баком, и получится автоматическая станция в полном сборе.
Grundfos PF - серия вихревых насосов, рекомендованных для бытового обеспечения водой и для повышения давления в существующих магистральных и городских сетях. Устройства создадут напор жидкости даже при малой подаче. Насосы можно применять для снабжения питьевой водой, так как рабочее колесо устройства выполнено из латуни, а корпус имеет антикоррозийное покрытие.

Наш интернет магазин - официальный дилер насосного оборудования для воды Грундфос в Москве. В каталоге вы найдете самые актуальные модели, которые вы можете купить по отличной цене, с быстрой доставкой по Москве и всей России.
Мы продаем только оригинальные повысительные насосы Grundfos, подтвержденные сертификатами, с официальной гарантией.
Повысительный насос для водопровода. Виды повышающих водяное давление насосов
Насос, повышающий давление воды в системе водопровода может иметь разное устройство и неповторимые конструктивные особенности, которые позволяют каждому владельцу недвижимости (частного дома или квартиры) выбрать наиболее подходящий прибор. Среди множества разновидностей насосов для нормализации низкого давления воды в жилом помещении, здании выделяют такие типы:
- Самовсасывающие (помогают для всех жилых помещений квартиры или частного дома);
- Циркуляционные (устраняют проблему только на небольшом участке водопровода):
- для холодной воды (изготавливается из пластика, работают с водой, имеющей температуру вплоть до сорока градусов по шкале Цельсия);
- для горячей воды (производятся из хорошей стали или других невредных для человека металлических сплавов и хорошей термостойкой резины).
В зависимости от типа контроля за водяным насосом различают насосы с ручным или автоматическим управлением. Обычно ручную помпу включают лишь на некоторое время. Автоматы-насосы могут работать постоянно. Они имеют специальные датчики, регулирующие и изменяющие работу устройств в зависимости от меняющихся внешних данных.
Также можно приобрести вихревой прибор для повышения вододавления. Он имеет напорный и всасывающий патрубок, расположенные на боковой части устройства. Как это ясно из названия данных элементов, по одному из них вода засасывается внутрь устройства, а по другому – наоборот, выталкивается из него.
Самовсасывающие насосные станции
Самовсасывающий насос – это единственный вид насоса, который можно разместить даже там, где уровень воды недостижим, так как подобный тип устройства позволяет с помощью поверхностного насоса и гидроаккумулятора поднять воду в трубах выше. Остановка работы помпы вместе с дальнейшим регулированием воды в водопроводе становится возможной после замыкания системы и накачивания воды в гидроаккумулятор.
Регулирование производительности механизма осуществляется путём работы обратных клапанов воздушной мембраны и реле давления. При грамотной установке и правильной настройке такие устройства работают автоматически и могут поднимать воду на уровень до двенадцати метров.
Циркуляционные насосы
Циркуляционный вид насосов, которые повышают водяное давление, является наиболее часто встречающимся, стандартным приспособлением для улучшения напора воды. Такие устройства невелики. Они вставляются (врезаются) в определённую часть водопроводной системы и, с помощью работы двигателя, оснащённого крыльчаткой, повышают давление горячей или холодной воды в системе. Самое простое насосное циркуляционное устройство имеет возможность повышать давление минимум на две-три атмосферы.
«Мокрые» и «сухие» насосные устройства
Для того чтобы устройство не вышло из строя из-за перегрева, в насосных конструкциях предусматривается специальный охлаждающий механизм. В зависимости от этого насос, повышающий давление воды, может быть с «мокрым» или «сухим» ротором. «Мокрые» насосы производят охлаждение своих деталей путём запуска холодной воды прямо через помпу. Благодаря грамотной конструкции такие приспособления могут работать практически бесшумно.
«Сухие» насосы для повышения давления воды в частном доме или в квартире охлаждаются воздухом, а не водой из системы. Этому помогают лопасти, закреплённые на валу водонасосного механизма. Положительной стороной использования таких насосов является их высокая производительность, а отрицательной – достаточно высокий уровень шума, образующийся во время их работы.
Погружной насос для колодца – какой лучше выбрать в зависимости от условий эксплуатации + рейтинг моделей
Различия в работе и конструкции устройств
Для правильного выбора насоса следует разобраться в нюансах работы каждой разновидности таких устройств.
Повысительный насос принцип работы. Принцип работы, схема и устройство
Принцип работы и схема повысительного насоса основаны на способности создания крыльчаткой радиального потока движения воды и передачи кинетической энергии в преобразованную напорную энергию. Модели повысительных насосов для водоснабжения функционируют по идентичному принципу и устанавливают на магистральные системы подачи холодной или горячей воды.
технические характеристики

Основными характеристиками повысительных насосов являются:
- производительность и максимальный напор
- потребляемая мощность и максимальное рабочее давление
- допустимая t перекачиваемой жидкости и ее максимальный расход
- уровень шума от агрегата в рабочем состоянии.
Роме того, при установке повысительного насоса рекомендуется обращать внимание на параметры:
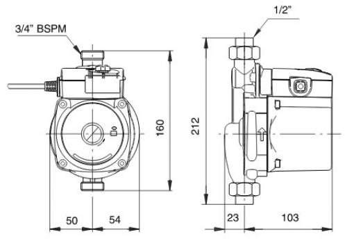
- габаритные размеры агрегата, тип монтажной установки, длину и размер резьбового соединения (трубное соединение G 3/4″, 1/2″ и НР подключение).
Устройство насоса повысительного и его условия работы зависят от способа управления, которые разделяются на автоматическое и ручное управление.

Полезные советы
Теоретически давление рабочей среды в водопроводных трубах многоэтажных домов регламентировано и составляет от 1,5 до 4 Атм. Однако, нарушение правил установки бытовых сантехнических приборов понижает показатель напора до критических значений 1-1,3 Атм. Узнать, на что будет способен повысительный насос для отопления или водоснабжения квартиры или дома рекомендуется по диаграммам производительности и отсюда
датчик протока
Важным элементом агрегатов является датчик протока, предназначенный для автоматического вкл/выкл двигателя насоса, изготовленный из латуни с возможностью присоединения ½ штуцер – ¾ гайка, с двумя выходными контактами для коммутации нагрузки двигателя 220В/120Вт. Агрегаты повысительного насоса grundfos оборудованы встроенным датчиком протока, что исключает необходимость дополнительного подключения оборудования. Однако, не исключает необходимость произвести расчет насоса.
