Насосы и насосные станции водоснабжения и водоотведения. Монтаж рабочих агрегатов в зданиях насосных станций водоснабжения
Насосы и насосные станции водоснабжения и водоотведения. Монтаж рабочих агрегатов в зданиях насосных станций водоснабжения
Однотипные насосы, имеющие одинаковую производительность, удобны при монтаже и эксплуатации.
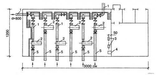
Расположение внутри здания насосной станции водоснабжения. Предлагается два варианта размещения насосных агрегатов водоснабжения. В первом (см. рис.1) они размещаются в один ряд по оси с параллельным положением осей, во втором – двухрядное расположение агрегатов с подобным положением осей в каждом из рядов и с порядном на одной прямой (см. рис. 2).

Рисунок 1. Однорядное размещение насосов станции: «1 – трубопроводы напорные; 2 – водомеры; 3 – задвижки; 4 – электродвигатель; 5 – насос; 6 – обратный клапан; 7 – всасывающие линии; 8 – резервуары; 9 – камера переключения резервуаров».

Рисунок 2. Двухрядное расположение насосов станции: «1 – трубопроводы напорные; 2 – центробежный с электродвигателем; 3 – вакуум-насос; 4 – дренажный насос; 5 – всасывающие линии».
Выбор схемы расположения агрегатов станции водоснабжения. Он зависит от конкретных условий планировки помещения, размеров и количества насосных агрегатов, степени заглубления насосной станции в грунт. И также от способов производства работ по перекачиванию воды, количества всасывающих камер колодца, принимающего жидкость, их размеров с фронтальной стороны, количества и объемов резервуаров чистой воды (станции I-го подъема), арматуры, которой оборудованы трубопроводы напорные и ряда других технических условий. Принятая схема расположения насосов должна обеспечить разумную минимальность размеров здания, удобность монтажа и демонтажа насосов, несложность эксплуатации оборудования.
Виды насосов. Центробежные виды насосов
Представляют собой любой насос, который создает поток или повышает давление жидкости, за счет чего производится ее перекачка из одного пункта к другому. Центробежный насос считается одним из наиболее популярных видов, и используется в 95% бытовых и промышленных решений.
К плюсам такого насоса относят невысокую стоимость обслуживания, простоту эксплуатации, универсальность. Принцип перекачки жидкости центробежным насосом можно объяснить следующей схемой:
- внутри корпуса насоса находится рабочее колесо, представляющее собой ряд изогнутых лопастей;
- лопасти вращаются при погружении в воду, которая вместе с ними вращает жидкость, обеспечивая достаточную силу;
- он создает центробежную силу к частицам воды и вытесняет жидкость из источника.
Центробежные водяные насосы имеют разные рабочие колеса в зависимости от сферы их применения. Выделяют три основных типа:
- закрытый - закрывает лопатки с обоих концов кожухом и является наиболее эффективным;
- полуоткрытый;
- открытый.
Полуоткрытые и открытые центробежные насосы применяются для вязких жидкостей и с примесями. Рабочее колесо центробежного насоса всегда должно быть погружено в воду. Главной причиной низкой эффективности в таких насосах будет попадание воздуха в двигатель. Из-за попадания воздуха насос будет работать медленнее, перекачивать водяные насосы воздухом становится труднее, чем жидкостью. Насос перестанет вытеснять воду под давлением. Для устранения этой проблемы нужно будет удалить воздух из системы.
Конструкция центробежного насоса включает три важных элемента: электродвигателя, насоса для физического перекачивания воды, механизма для включения и выключения насоса. При выборе центробежного насоса обязательно определяют его необходимую мощность. Она должна быть достаточной для выполнения конкретной задачи. Поскольку жидкость считается достаточно тяжелым материалом, для ее перекачки, например, на высоту, потребуется большая мощность.
Если технические характеристики центробежного насоса не будут соответствовать поставленной задаче, крыльчатка будет вращаться, разбрызгивая жидкость, но практически не перемещая. Также между вращающимся диском и корпусом останется небольшой зазор, который будет служить утечке жидкости. Из-за этого существенно снижается эффективность работы насоса. Для выполнения более сложных задач по транспортировке жидкостей могут понадобиться поршневые или диафрагменные насосы.
Центробежные насосы создают поток, используя одно из трех действий: радиальный, смешанный поток и осевой. Насосы с радиальным потоком представляют собой центробежные насосы, в которых давление создается полностью за счет центробежной силы. В насосах со смешанным потоком давление создается частично за счет центробежной силы и частично за счет подъема лопастей рабочего колеса. Модели с осевым потоком создают давление за счет выталкивания или подъема лопастей рабочего колеса.
Центробежные насосы представляют собой любой насос, который создает поток или повышает давление жидкости, за счет чего производится ее перекачка из одного пункта к другому.
Центробежный насос считается одним из наиболее популярных видов, и используется в 95% бытовых и промышленных решений.
Плюсы центробежных насосов
- Невысокая стоимость обслуживания
- Простота эксплуатации
- Универсальность
Принцип перекачки жидкости центробежным насосом
Принцип перекачки жидкости центробежным насосом можно объяснить следующей схемой:
Типы центробежных насосов
Центробежные водяные насосы имеют разные рабочие колеса в зависимости от сферы их применения. Выделяют три основных типа:
- Полуоткрытые и открытые центробежные насосы - применяются для вязких жидкостей и с примесями
- Закрытые центробежные насосы - применяются для жидкостей с низкой вязкостью
- Суперкритические центробежные насосы - применяются для жидкостей с высокой вязкостью
Проблемы с центробежными насосами
Главной причиной низкой эффективности в таких насосах будет попадание воздуха в двигатель. Из-за попадания воздуха насос будет работать медленнее, перекачивать водяные насосы воздухом становится труднее, чем жидкостью. Насос перестанет вытеснять воду под давлением. Для устранения этой проблемы нужно будет удалить воздух из системы.
Конструкция центробежного насоса
Конструкция центробежного насоса включает три важных элемента:
- Электродвигателя
- Насос для физического перекачивания воды
- Механизм для включения и выключения насоса
При выборе центробежного насоса обязательно определяют его необходимую мощность. Она должна быть достаточной для выполнения конкретной задачи.
Поскольку жидкость считается достаточно тяжелым материалом, для ее перекачки, например, на высоту, потребуется большая мощность.
Насосная установка
Текущая версия (не проверялась)
Насосные установки предназначены для нагнетания в нефтяные и газовые скважины различных жидкостей при цементировании, гидравлическом разрыве пластов, гидропескоструйной перфорации, кислотной обработке призабойной зоны, промывке песчаных пробок, а также при проведении других промывочно-продавочных работ. Насосные установки укомплектованы насосами высокого давления; смонтированы на шасси автомобилей, на тракторах и на специальных рамах.
Можно указать, что насосная установка имеет следующие элементы: гидробаки (гидроемкости); гидролинии (магистрали, трубопроводы); контрольно-измерительное оборудование (манометры, расходомеры, электроизмерительные приборы); пускорегулирующее оборудование (вентили, задвижки, устройства электрооборудования); противопожарное оборудование; вспомогательное оборудование (тали, кран-балки). Состав сооружений, тип и количество основного и вспомогательного оборудования насосной установки определяется исходя из назначения насосной установки.
В насос помещается рабочее колесо с лопатками. При вращении колеса двигателем жидкость, поступающая к центру колеса из заборного резервуара через всасывающий трубопровод и открытую задвижку , центробежной силой выбрасывается по лопаткам на периферию корпуса. В результате в центре рабочего колеса создается разрежение, жидкость засасывается в насос, снова выбрасывается лопатками колеса на периферию корпуса и далее подается в напорный трубопровод. Таким образом, в системе при открытой задвижке создается непрерывное течение жидкости и центробежный насос имеет равномерный ход. Перед пуском центробежный насос нужно заполнить жидкостью.
Если насос расположен ниже уровня жидкости, то для его заливки достаточно открыть вентиль. Если же насос находится выше уровня перекачиваемой жидкости, то для заливки требуется создать разрежение внутри корпуса насоса при помощи специального вакуум-насоса, в качестве которых обычно применяют поршневого насоса. В последнее время для заливки таких насосов стали применять аккумуляторные баки. Такой бак устанавливается выше уровня насоса, через него проходит всасывающий трубопровод, и после остановки насос оказывается залитым жидкостью, как если бы он находился ниже заборного резервуара. После заливки корпуса насоса может быть включен приводной двигатель.
| Пожалуйста, установите ссылки в соответствии с принятыми рекомендациями . |
Насосы и насосные станции учебник. Насосы и насосные станции, Аникин Ю.В. Царев Н.С. Ушакова Л.И. 2023
Насосы и насосные станции, Аникин Ю.В., Царев Н.С., Ушакова Л.И., 2018.Приведены общие сведения о насосах, насосных агрегатах, насосных установках и насосных станциях, рассмотрены особенности применения центробежных насосных агрегатов и их насосных установок для подачи воды и сточных вод, описаны принципы технологического проектирования насосных станций систем водоснабжения и водоотведения. Представлены методические указания по курсовому проектированию по дисциплине «Насосы и насосные станции». В приложениях дана информация справочного характера. Для студентов очной, очно-заочной и заочной форм обучения по профилю «Водоснабжение и водоотведение» направления подготовки 08.03.01 «Строительство»; для слушателей программ повышения квалификации и профессиональной переподготовки; для инженеров-проектировщиков насосных станций систем водоснабжения и водоотведения. Объемные насосы. Объемные насосы работают по принципу механического вытеснения жидкости твердым телом. Основные типы объемных насосов:— поступательно-поворотные насосы (зубчатые, винтовые);— роторно-поступательные насосы (поршневые, плунжерные, диафрагменные);— роторно-вращательные насосы (шиберные, роторно-поршневые). Объемные насосы применяют для создания большого напора жидкой среды, который может достигать нескольких сотен метров при сравнительно малом объеме подачи жидкой среды. Эти насосы обладают высоким коэффициентом полезного действия и в большинстве случаев могут работать как самовсасывающие.Поступательно-поворотные насосы. Поступательно-поворотный насос — возвратно-поступательный насос с возвратно-поворотным движением ведущего звена. К насосам этого типа относят зубчатые и винтовые насосы. Зубчатый насос — роторно-вращательный насос, в котором жидкая среда перемещается в плоскости, перпендикулярной оси вращения рабочих органов. Одной из разновидностей такого насоса является шестеренный насос.Шестеренный насос — зубчатый насос с рабочими органами в виде шестерен.Существует два типа шестеренных насосов:— шестеренные насосы с внешним зацеплением (рис. 5);— шестеренные насосы с внутренним зацеплением (рис. 6). Бесплатно скачать электронную книгу в удобном формате, смотреть и читать: - fileskachat.com, быстрое и бесплатное скачивание. Ниже можно купить эту книгу по лучшей цене со скидкой с доставкой по всей России. - pdf - Яндекс.Диск.