Основные неисправности шестеренчатых насосов. Ремонт шестеренчатых гидравлических насосов
- Основные неисправности шестеренчатых насосов. Ремонт шестеренчатых гидравлических насосов
- Как определить неисправность насоса Н. Как определить направление вращения НШ
- Не качает шестеренчатый насос. Причины неисправностей шестерённых насосов НШ
- Ремонт насоса НШ-32 своими руками. Насосы НШ-32
- Насос НШ-32 неисправности. Насос НШ 32А-3: устройство и принцип работы
- Почему греется насос НШ. НШ 10 греется
Основные неисправности шестеренчатых насосов. Ремонт шестеренчатых гидравлических насосов
После длительной эксплуатации шестеренного гидравлического насоса вследствии появления дефектов в деталях шестеренчатых насосов может происходить падение давления и производительности.
В насосе обнаруживается износ шестерен, валиков (осей шестерен), втулок и корпуса с крышкой . На торцах шестерен и втулок образуются кольцевые задиры, поверхность их становится волнистой.
Вследствие износа подшипников и прогиба валиков в напорной полости возникает местный износ отверстий корпуса со стороны всасывающей полости и износ шестерен по окружности выступов. Следствием работы шестеренного гидравлического насоса на загрязненной жидкости незначительный износ расточки корпуса может, быть и со стороны напорной полости.
Основным каналом утечек жидкости в шестеренном насосе являются торцовые зазоры между зубчатыми колесами и втулками (75—80% суммарных утечек в насосе). Это объясняется тем, что рабочий объем ограничивается узкими поясками, имеющими относительно большую протяженность.
При ремонте шестеренного насоса без грубых повреждений расточенного отверстия корпуса восстанавливать изношенную поверхность расточки не следует, так как необходимый радиальный зазор после замены изношенных шестерен и опорных элементов практически восстанавливается.
Износ торцов зубчатых колес устраняют шлифованием при обеспечении неперпендикулярности торцовых поверхностей осям колес не более 0,01 мм на длине 100 мм. Зубчатые колеса с изношенным профилем зубьев заменяют новыми.
К новым зубчатым колесам предъявляют следующие технические требования:
- соосность посадочного отверстия с наружным диаметром зубчатого колеса должна быть до 0,01 мм;
- соосность наружной и делительной окружностей до 0,02 мм;
- колебание размеров зубчатых колес по ширине не более 0,01 мм;
- конусность и овальность по наружной поверхности не более 0,02 мм.
Твердость рабочих поверхностей после термической обработки и шероховатость указаны в табл. 3. Степень точности изготовления колес 6—6—7Х.
Чистовое обтачивание и растачивание отверстия, а также подрезку торцов производят с одного установа заготовки, обеспечивая необходимую перпендикулярность торца оси посадочного отверстия, принимаемого за установочную базу при нарезании зубьев. После термической обработки зубья шлифуют. Припуск под предварительное шлифование должен быть 0,25—0,5 мм, под окончательное 0,08—0,15 мм. Для особо точных насосов колеса доводят чугунными зубчатыми притирами с тонким абразивом (зернистость 200—250) в среде минерального масла. Припуск на доводку равен 0,05— 0,1 мм.
Изношенные валики заменяют новыми. Изношенные торцы опорных втулок шлифуют. После шлифования необходимо восстановить канавки для прохода масла, запираемого во впадинах колес насоса при его работе. Для обеспечения нормальной работы колес опорные втулки шлифуют попарно. Параллельность торцов должна быть обеспечена до 0,01 мм, биение наружной цилиндрической поверхности относительно оси отверстия — не более 0,01 мм, неперпендикулярность торцов оси — не более 0,01 мм.
При замене зубчатых колес или опорных втулок шлифованием одного из торцов корпуса или втулок необходимо обеспечить ширину корпуса на 0,06—0,08 мм больше общего размера по ширине зубчатого колеса с опорными втулками.
При ремонте насоса в случае заметного износа торцового уплотнения или повреждений контактирующих поверхностей торец втулки уплотнения и крышки корпуса шлифуют. Неперпендикулярность торца втулки оси должна быть не более 0,01 мм.
Перед сборкой все детали насоса должны быть промыты в керосине и смазаны тонким слоем минерального масла. Во избежание перекоса и зажима валиков винты крепления крышек необходимо завертывать, попеременно увеличивая силу затяжки и проверяя легкость вращения приводного вала насоса.
Как определить неисправность насоса Н. Как определить направление вращения НШ
Эксплуатация насоса с неправильно выбранным направлением вращения приводного вала невозможна и может привести к неисправности насоса, а чаще всего к выдавливанию сальника НШ . Нужно запомнить, что у насосов с левым вращением вал вращается против часовой стрелки, соответственно у правого - по часовой.
Существует несколько способов установить правильное вращение вала насоса:
По маркировке на задней стороне
На насосах левого вращения в обозначении присутствует буква Л, правые насосы буквой не маркируются
По стрелке со стороны вала
Некоторые производители дополнительно маркируют плоскость насоса со стороны приводного вала стрелкой, которая указывает по часовой стрелке вращается вал или против
Визуальный осмотр (правило)
Если повернуть насос всасывающим патрубком к себе так, чтобы вал был направлен вверх, то отклонение вала от всасывающего отверстия подскажет направление вращения насоса. Если вал отклонен влево - насос правого вращения, если вправо - левого вращения.
Определение всасывающего отверстия
Чтобы правильно воспользоваться предыдущим правилом нужно определить какое из отверстий насоса является всасывающим, для этого снова нужно обратиться к маркировке - стрелка укажет на направление движения потока жидкости
Важно: Не смотря на то, что вопрос направления движения масла в шестеренном насосе достаточно примитивный, ситуации ошибочного восприятия возникают слишком часто. Важно понимать: масло движется по внешнему радиусу шестерен (смотреть анимированное изображение), надеемся, что эта информация снизит количество ошибок при выборе и подключении насоса.
Не качает шестеренчатый насос. Причины неисправностей шестерённых насосов НШ
Рекомендация
наработка гидравлических насосов НШ для эксплуатации без поломок не должна превышать
- 4000 моточасов на сельскохозяйственных тракторах
- 3000 моточасов на промышленных тракторах
- 1000 моточасов на других машинах
В системе должно быть залито гидравлическое масло, а не "отработка". Более жидкая отработка заставляет поднимать обороты двигателя, что снижает ресурс двигателя. Работа на повышенных оборотах насоса НШ ведет к ускоренному износу уплотнений и рабочих элементов насоса. Если насос НШ вышел из строя его лучше заменить полностью. При разрыве или вздутии корпуса насос подлежит замене.
Ремонт насоса НШ-32 своими руками. Насосы НШ-32
Изучая наиболее характерные особенности, которыми обладает насос НШ 32, необходимо прежде всего упомянуть, что он относится к шестереночной разновидности, является одним из предметов гидравлического оснащения. Изделие чаще всего применяется в конструкциях различной сельскохозяйственной и тракторной техники, преимущественно в старых её образцах.
При этом несмотря на давний год выпуска подобные приспособления по-прежнему пользуются стабильно высоким спросом, что обусловлено их превосходными эксплуатационными характеристиками. Отчасти этому способствует цена насоса НШ 32, которая значительно ниже, чем у большинства отечественных и зарубежных аналогов.
Устройство используется для работы с навесным оборудованием исключительно в вертикальной плоскости, что необходимо учитывать при использовании модели. Насос повсеместно используется в:
- бульдозерах;
- отвалах;
- грейдерах;
- ковшевых навесах;
- привод стрел/захватов.

Для осуществления работ в горизонтальном положении используется другая модель — НШ 10. Модификация НШ 32 относится к шестереночному типу, что обусловлено её конструкцией. Принцип работы предполагает, что за счет правильного расположения шестеренок, удается добиться эффективной циркуляции масла в системе.
Устройство не только отличается низкой стоимостью, но и доступными расценками на запчасти, например, фланец НШ 32. Это позволяет значительно сократить затраты на обслуживание и при необходимости выполнять ремонт нужного узла самостоятельно. С этой целью также крайне удобно использовать специальный ремкомплект, включающий все необходимое для устранения самых распространенных неисправностей.
Варианты исполнения
Прежде чем более подробно ознакомиться с рабочими параметрами подобного устройства, необходимо изучить варианты его исполнения. Поскольку завод-изготовитель данной продукции выпускает множество наименований аналогичных устройств с различными техническими характеристиками, возникла необходимость их маркировки.
Устройства данной модели выпускаются сразу 2 видов — левый и правый, в зависимости от направления вращения шестереночного механизма. Узнать более подробную информацию о конкретном приборе с помощью маркировки можно по следующей схеме:
- НШ — насос шестереночный;
- последующие цифры — рабочий объем изделия;
- буква — серия устройств;
- следующая цифра — исполнение по давлению;
- далее следует буква Л для устройств с левым направлением вращения. Для правых аналогов буквенное обозначение не используется;
- последняя буква отражает климатическое исполнение — пустое поле означает умеренный климат, а буква Т тропический.
Маркировка дает пользователю исчерпывающее понятие о рассматриваемом приборе, его типе, а также эксплуатационных характеристиках, что делает её крайне важной.
Технические характеристики
Планируя ознакомиться с внутренним устройством данной модели, необходимо изучить его ключевые технические характеристики, которые во многом определяют популярность этого прибора среди потребителей.

К числу наиболее значимых показателей следует отнести:
- рабочий объем — 32 куб.см;
- номинальная частота вращения — 40;
- интенсивность подачи — 68,6л;
- давление на выходе — 16-20МПа, в зависимости от конкретной модификации;
- коэффициент подачи — 0,94;
- КПД — 0,83;
- масса изделия — 3,52-6,4кг;
- мощность — 26,6-33,2 кВт.
Устройства способны успешно конкурировать со многими современными аналогами, поскольку при умеренных рабочих показателях они обладают малой стоимостью, что делает их крайне привлекательными для потребителей.
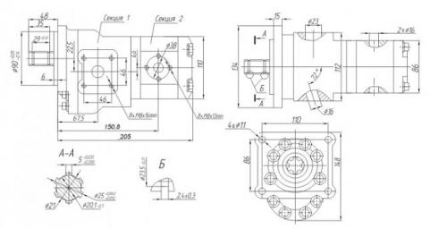
Насос НШ-32 неисправности. Насос НШ 32А-3: устройство и принцип работы
Насос НШ 32А-3 является довольно распространенным и востребованным в сельском хозяйстве. Данный механизм осуществляет поток масла в гидросистеме под давлением. В итоге в сельскохозяйственной машине приводится в действие приводится гидрофицированный орган.Основными составляющими шестеренного насоса нш являются корпус (поз.1), который закрыт крышкой (поз.3). В корпус устанавливается качающийся узел, который состоит из ведомой (поз.2) и ведущей (поз.4) шестерни. Шестерни укладываются в подшипниковую обойму (поз.15), платики. В нагнетательной зоне благодаря давлению масла через манжету (поз.11) происходит непрерывное прижатие обоймы (поз.14). она прижимается уплотняющей поверхностью к наружным поверхностям зубьев шестерен.
Когда происходит изнашивание поверхностей зубьев и обоймы, обойма смещается в сторону шестерен. В итоге осуществляется минимальный зазор между поверхностями зубьев и обоймы.
В районе манжет (поз. 10) платики под действием давления рабочей жидкости прижаты к шестерням. Манжеты (поз. 9), установленные в углубления корпуса (поз. 1) и крышки (поз. 3), создают зоны противодавления для разгрузки поджимной обоймы (поз. 14) от напряжений, которые возникают со стороны манжет (поз. 10).
Таким образом, конструкция насоса предусматривает гидравлический автоматический поджим и по торцовым поверхностям зубьев, и по поверхности. А когда происходит износ деталей узла качания, обеспечивается уплотнение зазоров.
Для того, чтобы при работе насоса шестеренного НШ-32А-3 проворачивался качающийся узел, предназначена центрирующая втулка (поз. 5), запрессованная в отверстие, выполненное в корпусе гидронасоса. Уплотнение вала ведущей шестерни (поз. 4) осуществляется при помощи двух манжет. Одна из внутренних манжет смонтирована пружинным браслетом наружу, а другая — пружинным браслетом во внутрь корпуса. Стык корпуса гидронасоса с крышкой уплотнен кольцом (поз. 13).
Принцип действия шестеренчатого насоса заключается в следующем.
Две шестерни равной ширины ведущая 1 и ведомая 2 находятся в зацеплении и расположены в корпусе 3 с минимальным радиальным зазором. К торцовым поверхностям шестерен прилегают боковые стенки насоса. Когда вращаются шестерни, жидкость, заполняющая впадины между зубьями, переносится шестернями по внутренней поверхности корпуса (показано стрелками) из полости всасывания А в полость нагнетания Б.
Насос НШ 32А-3 бывает, как правого, так и левого вращения. В компании Агро-Сервис представлена продукция завода Гидросила, г.Кировоград, которые обладают отличными эксплуатационными характеристиками и высокой степенью надежностью.
Почему греется насос НШ. НШ 10 греется
Бульба Евгений
Украина
: Ладан
: 81
Не в сети
Вчера при чистке снега перестал работать гур , дочистил с горем пополам , приехал домой , до насоса нельзя доторкнутся , гур тоже горячий . Сегодня промыл клапан , завёл , гур работает, колёса поварачуются , поработав минут 10 , насос гарячий , руль тугой . Разобрал редукционный клапан , на обратке а он забитый стружкой алюминевой . Вопрос такой может из-за этого грется НШ 10. Вход масла в нш не забитая .Стружка ещё была в золотнике .
aleksandr7764
: 5924
Не в сети
Бульба Евгений пишет:
Вчера при чистке снега перестал работать гур , дочистил с горем пополам , приехал домой , до насоса нельзя доторкнутся , гур тоже горячий . Сегодня промыл клапан , завёл , гур работает, колёса поварачуются , поработав минут 10 , насос гарячий , руль тугой . Разобрал редукционный клапан , на обратке а он забитый стружкой алюминевой . Вопрос такой может из-за этого грется НШ 10. Вход масла в нш не забитая .Стружка ещё была в золотнике .
Здравствуйте коллега. Сталкивался с подобным. В моём случае проблема было в том, что золотник клинил в корпусе. В новом распреде ГУР. Поменял распред целиком.
Бульба Евгений
Украина
: Ладан
: 81
Не в сети
aleksandr7764 пишет:
Бульба Евгений пишет:
Вчера при чистке снега перестал работать гур , дочистил с горем пополам , приехал домой , до насоса нельзя доторкнутся , гур тоже горячий . Сегодня промыл клапан , завёл , гур работает, колёса поварачуются , поработав минут 10 , насос гарячий , руль тугой . Разобрал редукционный клапан , на обратке а он забитый стружкой алюминевой . Вопрос такой может из-за этого грется НШ 10. Вход масла в нш не забитая .Стружка ещё была в золотнике .
Здравствуйте коллега. Сталкивался с подобным. В моём случае проблема было в том, что золотник клинил в корпусе. В новом распреде ГУР. Поменял распред целиком.
Здравствуйте . У Вас такое случилось резко или постепенно . У меня резко , работал идеально а потом раз и всё . Золотник у меня двигается , только когда его вытаскиваеш от немного тужит .
aleksandr7764
: 5924
Не в сети
Бульба Евгений пишет:
aleksandr7764 пишет:
Бульба Евгений пишет:
Вчера при чистке снега перестал работать гур , дочистил с горем пополам , приехал домой , до насоса нельзя доторкнутся , гур тоже горячий . Сегодня промыл клапан , завёл , гур работает, колёса поварачуются , поработав минут 10 , насос гарячий , руль тугой . Разобрал редукционный клапан , на обратке а он забитый стружкой алюминевой . Вопрос такой может из-за этого грется НШ 10. Вход масла в нш не забитая .Стружка ещё была в золотнике .
Здравствуйте коллега. Сталкивался с подобным. В моём случае проблема было в том, что золотник клинил в корпусе. В новом распреде ГУР. Поменял распред целиком.
Здравствуйте . У Вас такое случилось резко или постепенно . У меня резко , работал идеально а потом раз и всё . Золотник у меня двигается , только когда его вытаскиваеш от немного тужит .
Резко.Собирал очередной трактор. Внедрил ГУР-новый нашёл в чермете.Ещё подивился-чего его новый выбросили ? Трактор завёл, ГУР хорошо работал. Немного проехал-ГУР заклинило.НШ нагрелся-плюнь зашипит. Сменил НШ, завёл-та же физгармония. Стал смотреть ГУР, снял распред-золотник закусывает. Заменил. Всё заработало.
Ищите причину, почему у Вас ГУР не рулит.
Бульба Евгений
Украина
: Ладан
: 81
Не в сети
Проблема решена . Вчера как писал промыл редукционный клапан от стружки а сегодня заменил нш 10 новый и всё отлично . Всем спасибо .